28 junio 2024

Desalinización: liderazgo, futuro y sostenibilidad

La industria de la desalación se ha consolidado como un activo clave para la sostenibilidad hídrica. La eficiencia energética en industria pesada y el desarrollo de tecnologías avanzadas han permitido a este sector reducir su impacto energético y mejorar su sostenibilidad, posicionando a España como un líder mundial en desalación. Pero, ¿cómo lo ha logrado España?

Por José Luis Bernal Albendín

Desalinizadora Desalinizadora

Por todos es conocido que la escasez de agua es uno de los retos más acuciantes en muchas partes del mundo, y España no es una excepción. Desde la construcción de la primera planta desalinizadora en 1965, el país ha avanzado rápidamente en el campo de la desalación, hasta convertirse en líder europeo y uno de los principales actores a nivel mundial en esta tecnología. Actualmente, España cuenta con un total de 765 plantas desalinizadoras, con una capacidad instalada que supera los 5 millones de m³/día. De estas 765 plantas, 360 son desaladoras de agua de mar y 405 de agua salobre.

Reserva hídrica a fecha de 25/06/2024 es de 35.692 hectómetros cúbicos en España. Fuente: MITECO

Una industria electrointensiva más eficiente

El proceso de desalación ha sido considerado históricamente como uno de los grandes consumidores energéticos de la industria electrointensiva. La producción de un m³ de agua desalada solía requerir más de 50 kWh en las primeras plantas por evaporación, pero con los avances tecnológicos, este consumo se ha reducido hasta unos 3 kWh. Las plantas desalinizadoras han adoptado estrategias avanzadas para optimizar la eficiencia energética y minimizar el impacto ambiental, consolidándose como una parte necesaria de la infraestructura energética avanzada del país.

La desalación, requiere una gestión eficiente del consumo energético para minimizar su impacto medioambiental y reducir costes. Las plantas desalinizadoras en España han implementado diversas tecnologías avanzadas para mejorar su eficiencia energética. Entre ellas, destaca el uso de intercambiadores de presión cerámicos, que permiten una significativa recuperación de energía del agua de rechazo, reduciendo el consumo energético de 8 kWh/m³ en los años 70 a los actuales 2,3 kWh/m³.

Estas mejoras han sido posibles gracias a una estrecha colaboración entre las empresas del sector, institutos tecnológicos y el gobierno. Las empresas españolas de desalación no solo han optimizado las operaciones a nivel nacional sino que también exportan su conocimiento y tecnología a nivel global, gestionando más de 3 millones de m³/día de agua desalada en todo el mundo.

Presencia internacional de las empresas españolas de desalación. Fuente: MITECO

Industria desaladora de España

Por ponernos en contexto de lo que supone la desalación en España, es importante tener conocimiento de las desaladoras más grandes de España su producción y su alcance, siendo estas las siguientes:

  • Torrevieja (Alicante): Produce 80 hm³/año, abasteciendo a 140.000 personas y beneficiando 8.000 hectáreas de agricultura.
  • El Atabal (Málaga): Produce 76 hm³/año, una de las mayores plantas desaladoras de España y del mundo.
  • Valdelentisco (Murcia): Capacidad de producción de hasta 70 hm³/año, beneficiando 7.577 hectáreas de regadío y abasteciendo a 60.000 personas.
  • Águilas/Guadalentín (Murcia): Capacidad para producir 70 hm³/año, beneficiando a 130.000 personas.
  • Carboneras (Almería): Produce 42 hm³/año, beneficiando a 200.000 personas y asegurando riego para 7.000 hectáreas de regadío.
  • Campo de Dalias (Almería): Produce 30,1 hm³/año, pudiendo abastecer a unas 300.000 personas.
  • Sagunto (Valencia): Produce 25,6 hm³/ año y 65.000 personas beneficiadas.
  • Moncofa (Castellón): Capacidad de producción hasta 19,8 hm³/año y se benefician 120.000 personas.
  • De La Marina Baja (Alicante): Produce 18 hm³/año, beneficiando a 200.000 personas.
  • Del Bajo Almanzora (Almería): Produce 15 hm³/año. Garantiza el agua a 140.000 personas y beneficia a más de 24.000 hectáreas de regadío.
  • Oropesa (Castellón): Produce 13,5 hm³/año. Beneficiando a 150.000 personas.

 

Innovaciones en la eficiencia energética en la industria pesada

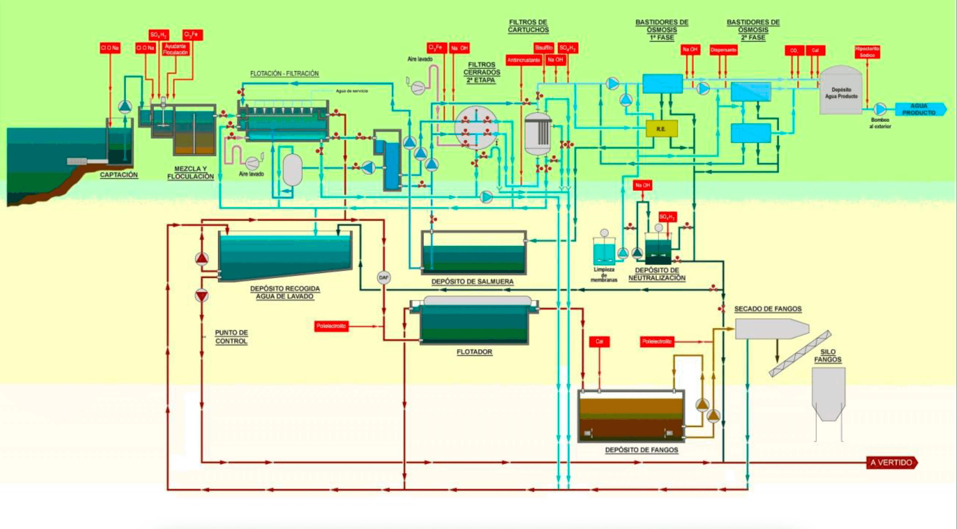
En la actualidad existen diferentes procesos de desalación mediante: destilación, separación por membranas y congelación. No obstante, la implementación de sistemas de ósmosis inversa de alta eficiencia ha sido una clave en la reducción del consumo energético de las desaladoras. Las membranas semipermeables de alto rendimiento y los sistemas de pretratamiento avanzado aseguran que el agua de mar cumpla con los estándares de calidad necesarios antes de ser sometida a ósmosis inversa. Estos sistemas de pretratamiento, que incluyen filtros de arena y carbón activo, eliminan impurezas y mejoran la durabilidad y eficiencia de las membranas.

Esquema de funcionamiento de la planta desaladora de Torrevieja – Alicante (ósmosis inversa). Fuente: MITECO

Desalación y sostenibilidad y energías renovables

La desalación y sostenibilidad no solo ha mejorado en términos de eficiencia energética, sino que también ha adoptado medidas importantes para asegurar su viabilidad. La gestión de la salmuera, un subproducto inevitable de la desalación, se ha optimizado mediante la aplicación de tecnologías de difusión y dilución, mitigando el impacto ambiental. Además, proyectos innovadores como la planta desalinizadora de El Prat, que combina la salmuera con efluentes de estaciones depuradoras de aguas residuales (EDARs), han demostrado que es posible convertir un problema en una solución ambiental.

También, actualmente, las plantas en profundidad destacan por su gran eficiencia energética, aprovechando la sumergencia en pozos costeros inundados de agua, o fondos marinos como medio para obtener la presión necesaria para el proceso de forma natural. Este método no solo reduce el consumo energético (alrededor de 1.7 kWh/m³) si no que al poder operar rentablemente con bajos índices de reconversión (12%) genera salmueras muy diluidas que apenas afectan al ecosistema marino, evitando la necesidad de costosas obras de toma y emisarios.

Ejemplo de planta desaladora submarina

Existen diversos modelos de plantas desalinizadoras submarinas, adaptadas según la profundidad y distancia a la costa. Siendo estas:

1. Plantas en fondo marino cerca de la costa:

  • Instaladas a profundidades de 250 m.
  • Utilizan un suministro de agua continuo, trabajando con bajos índices de reconversión y generando flujos de permeado de alta calidad con menor presión.
  • Producen flujos de rechazo muy diluidos que no afectan significativamente al medio marino.

2. Plantas flotantes alejadas de la costa:

  • Operan a profundidades de 350 m y tienen un índice de reconversión bajo (aproximadamente 12%).
  • Energéticamente conectadas a la costa mediante cable submarino o generadores.
  • Cuentan con módulos desalinizadores suspendidos de pantalanes flotantes, permitiendo una capacidad de producción significativa (30,000 m³/día).

3. Plantas híbridas en acantilado/mar:

  • Combinan acantilados y profundidades marinas menores.
  • Utilizan balsas de agua en altura para facilitar el proceso de ósmosis, aprovechando la diferencia de cotas.
  • Pueden integrar pozos abandonados y bombas solares o eólicas para minimizar el coste energético.

Estas plantas destacan por su rápida implementación, bajo coste energético y mínimo impacto ambiental, proporcionando soluciones viables para el suministro de agua potable en zonas costeras.

Ejemplo de esquema de planta desalinizadora flotante con capacidad de 30,000 m³/día tecnología ADES

Como observamos el papel de la desalación en la gestión hídrica de España de una forma u otra es totalmente necesaria, especialmente en zonas con escasez hídrica. La integración de plantas desalinizadoras en la planificación hidrológica permite liberar recursos superficiales y subterráneos para otros usos, como la agricultura y el abastecimiento urbano, contribuyendo al desarrollo sostenible de zonas vulnerables, además España un país con un gran potencial solar puede reducir costes energéticos, por ello algunas plantas están incorporando la integración de energías renovables en sus procesos siendo una tendencia creciente que reduce aún más el consumo energético y las emisiones de CO2.

Seguidores solares 1+1 eje 120 kW ADES para alimentar plantas desalinizadoras con energía fotovoltaica.

Infraestructura energética avanzada

Las plantas desalinizadoras en España reflejan un alto nivel de tecnología avanzada. Los aspectos técnicos y ambientales se consideran minuciosamente desde la fase de planificación. La elección del emplazamiento adecuado, que incluye análisis de batimetría, geología y dinámica litoral, necesario para minimizar el impacto ambiental asegurando la eficiencia operativa.

Mapa batimétrico para ubicaciones potenciales de plantas desalinizadoras submarinas o flotantes.

Además, el suministro eléctrico a estas plantas se ha optimizado como hemos visto para garantizar un reducido consumo energético. Las tecnologías de recuperación de energía, como las cámaras isobáricas, han evolucionado, permitiendo una mayor eficiencia en el uso de energía.

Liderazgo global en la gestión hídrica

La desalación en España es un claro ejemplo de cómo la innovación tecnológica y la gestión eficiente pueden transformar una industria electrointensiva en un modelo de sostenibilidad y eficiencia energética en industria pesada. Con el uso de tecnologías avanzadas y la mejora continua de sus procesos, las plantas desalinizadoras en combinación de plantas submarinas y flotantes, junto a la utilización de energías renovables, asegura que España no solo satisfaga sus necesidades de agua, sino que también lidere el camino hacia una gestión hídrica sostenible y respetuosa con el medio ambiente proporcionando soluciones viables a la escasez de agua y también contribuyendo a la sostenibilidad ambiental y al desarrollo económico del país.

La experiencia y el liderazgo de España en este ámbito han creado una capacidad competitiva y exportadora única, posicionando al país como un referente global en la gestión y tecnología de desalación. A medida que la demanda de agua sigue creciendo y los desafíos ambientales se intensifican, la desalación continuará siendo una herramienta vital para garantizar el suministro de agua y promover la sostenibilidad a nivel mundial .

Contenido relacionado

icono ir atrás volver atrás en la navegación icono número 50 ir a producto Tempo Happy 50 Horas icono calendario ir a producto Tempo Happy Día icono empresas ir al segmento de empresas icono de gas ir a catálogo de productos de gas icono sol naciente ir al producto Tempo Verde-Energía Renovable icono hogar ir al segmento de hogares icono 24 horas ir a producto One Luz icono electricidad ir al catálogo de productos de Luz icono electricidad y gas ir al catálogo de productos Luz + Gas icono luna ir al producto One luz Nocturna icono llave inglesa ir a averías y reparaciones icono sol ir al producto Tempo Solar icono reloj ir a los productos Tempo Happy icono reloj 2 horas ir al producto Tempo Happy 2 Horas icono 24 horas ir al producto One Luz icono número 50 ir al producto Tempo Happy 50 Horas icono tendido eléctrico Media Tensión Ver catálogo de productos con consumo eléctrico de 36.000 a 360.000 €/año icono tendido eléctrico Alta Tensión Ver catálogo de productos con consumo eléctrico más de 360.000 €/año icono empresa ir al segmento de empresas icono calendario ir al producto Tempo Happy Día icono Administradores de Fincas ir al segmento de Administradores de Fincas icono DarkSite icono DarkSite icono bombilla ver catálogo de productos con consumo eléctrico menos de 6.000 €/año icono de electricidad y gas ir al catálogo de Productos Luz + Gas icono electricidad ir al catálogo de productos de electricidad icono email contacto de correo electrónico icono fax contacto de fax icono de gas Baja Presión ver catálogo de productos de gas con consumo de menos de 6.000 €/año icono de gas Alta Presión ver catálogo de productos de gas con consumo de 6.000 a 240.000 €/año icono de gas Media Presión ver catálogo de productos de gas con consumo de más de 240.000 €/año icono de gas ir al catálogo de productos de gas icono de Enel ir a la sitio web de enel icono de calentador servicio de mantenimiento del calentador icono mantenimiento del calentador ir al servicio de mantenimiento OKGas Calentador icono hogar ir al segmento de hogares icono olla de presión olla de presión icono llave inglesa ir a averías y reparaciones icono tendido eléctrico Media Tensión ver catálogo de productos de electricidad con consumo de 6.000 a 36.000 €/año icono luna ir al producto One Luz Nocturna icono esfera ir a sitio web personal icono teléfono contacto telefónico icono sol naciente Ir al producto Tempo Verde-Energía Renovable icono panel solar ir a energía solar fotovoltaica icono reloj ir a productos Tempo Happy icono manito solida con pulgar hacia abajo seleccionada la reacción "No me gusta" icono manito con pulgar hacia abajo seleccionar la reacción "No me gusta" icono manito negra con pulgar hacia arriba seleccionada la reacción "Me gusta" icono manito con pulgar hacia arriba seleccionar la reacción "Me gusta"
Añadir otro equipo eléctrico Lorem ipsum dolor sit amet, consectetur adipisicing elit. Eliminar equipo eléctrico Lorem ipsum dolor sit amet, consectetur adipisicing elit. Aspiradora Lorem ipsum dolor sit amet, consectetur adipisicing elit. Horno Lorem ipsum dolor sit amet, consectetur adipisicing elit. Lavadora Lorem ipsum dolor sit amet, consectetur adipisicing elit. Lavavajillas Lorem ipsum dolor sit amet, consectetur adipisicing elit. Microondas Lorem ipsum dolor sit amet, consectetur adipisicing elit. Plancha Lorem ipsum dolor sit amet, consectetur adipisicing elit. Punto de recarga vehículo eléctrico Lorem ipsum dolor sit amet, consectetur adipisicing elit. Radiador eléctrico Lorem ipsum dolor sit amet, consectetur adipisicing elit. Secadora Lorem ipsum dolor sit amet, consectetur adipisicing elit. Split Aire Acondicionado Lorem ipsum dolor sit amet, consectetur adipisicing elit. Termo Lorem ipsum dolor sit amet, consectetur adipisicing elit. Tostador Lorem ipsum dolor sit amet, consectetur adipisicing elit. Vitrocerámica Lorem ipsum dolor sit amet, consectetur adipisicing elit. Power edit Lorem ipsum dolor sit amet, consectetur adipisicing elit. Map marker Lorem ipsum dolor sit amet, consectetur adipisicing elit.